(2004 年 8 月 9 日中国气象局第 7 号令公布)
第一条为了保护气象探测环境和设施,保证气象探测工作的顺利进行,确保获取的气象探测信息具有代表性、准确性、比较性,提高气候变化的监测能力、气象预报准确率和气象服务水平,为国民经济和人民生活提供可靠保障,根据《中华人民共和国气象法》,制定本办法。
第二条本办法适用于中华人民共和国领域和中华人民共和国管辖的其他海域内气象探测环境和设施的保护。
第三条本办法所称气象探测环境,是指为避开各种干扰保证气象探测设施准确获得气象探测信息所必需的最小距离构成的环境空间。本办法所称气象探测设施,是指用于各类气象探测的场地、仪器、设备及其附属设施。
第四条国务院气象主管机构负责管理全国气象探测环境和设施的保护工作。地方各级气象主管机构在上级气象主管机构和同级人民政府的领导下,负责管理本行政区域内气象探测环境和设施的保护工作。设有气象台站的国务院其他有关部门和省、自治区、直辖市人民政府其他有关部门按照职责,做好本部门气象台站的探测环境和设施的保护工作,并接受同级气象主管机构的指导、监督和行业管理。其他有关部门按照职责,配合气象主管机构做好气象探测环境和设施的保护工作。
第五条国家依法保护气象探测环境和设施。任何组织和个人都有保护气象探测环境和设施的义务,有权检举侵占、损毁和擅自移动气象探测设施和破坏气象探测环境的行为。
第六条各级人民政府及有关部门应当加强对气象探测环境和设施保护的宣传教育,树立全民保护气象探测环境和设施的意识。对在保护气象探测环境和设施工作中作出贡献的单位和个人,给予奖励。
第七条本办法保护以下气象探测环境和设施:
(一)国家基准气候站、国家基本气象站、国家一般气象站、自动气象站、太阳辐射观测站、酸雨监测站、生态气象监测站(含农业气象站)的探测环境和设施;
(二)高空气象探测站(包括风廓线仪、声雷达、激光雷达等)的探测环境和设施;
(三)天气雷达站的探测环境和设施;(四)气象卫星地面接收站(含静止气象卫星地面接收站、极轨气象卫星地面接收站)、卫星测控站、卫星测距站的探测环境和设施;
(五)大气本底台站、沙尘暴监测站、污染气象监测站等环境气象监测站的探测环境和设施;
(六)遥感卫星辐射校正场的探测环境和设施;(七)闪电探测站的探测环境和设施;(八)GPS 气象探测站外场环境;
(九)气象专用频道、频率、线路、网络及相应的设施;(十)其他需要保护的气象探测环境和设施。
第八条各类气象站四周应当开阔,保持气流通畅。
第九条国家基准气候站、国家基本气象站、国家一般气象站和太阳辐射观测站周围的建筑物、作物、树木等障碍物和其他对气象探测有影响的各种源体,与气象观测场围栏必须保持一定距离,具体保护标准见附表1。自动气象站四周不得有致使气象要素发生异常变化的干扰源。自动气象站具体保护标准根据其布设站类按照附表1 执行。生态气象监测站(含农业气象站)、酸雨监测站具体保护标准根据其布设站类参照附表1 执行。
本办法所称源体,是指省级气象主管机构确定的对气象探测资料的代表性、准确性有影响的大型锅炉、废水、废气、垃圾场等干扰源或者其他源体。
第十条高空气象探测站四周的障碍物对探测系统天线形成的遮挡仰角不得大于5°,在高空气象探测站盛行风的下风方向120°范围内,不得大于 2°。在探测气球施放场地半径50 米范围内,不得有架空电线、建筑物、树木等障碍物。其他建筑物和火源与氢气房的距离不得小于 50 米。
第十一条天气雷达站主要探测方向的遮挡仰角不得大于0.5°,孤立遮挡方位角不得大于 0.5°;其他方向的遮挡仰角不得大于 1°,孤立遮挡方位角不得大于 1°,且总的遮挡方位角不得大于 5°。天气雷达站四周不得有对雷达接收产生干扰的干扰源。
第十二条气象卫星地面接收站(含静止气象卫星地面接收站、极轨气象卫星地面接收站)、卫星测控站、卫星测距站探测环境和设施的保护按照国家关于《地球站电磁环境保护要求》(GB13615—92)执行。极轨气象卫星地面接收站周围障碍物的仰角不得大于3°。
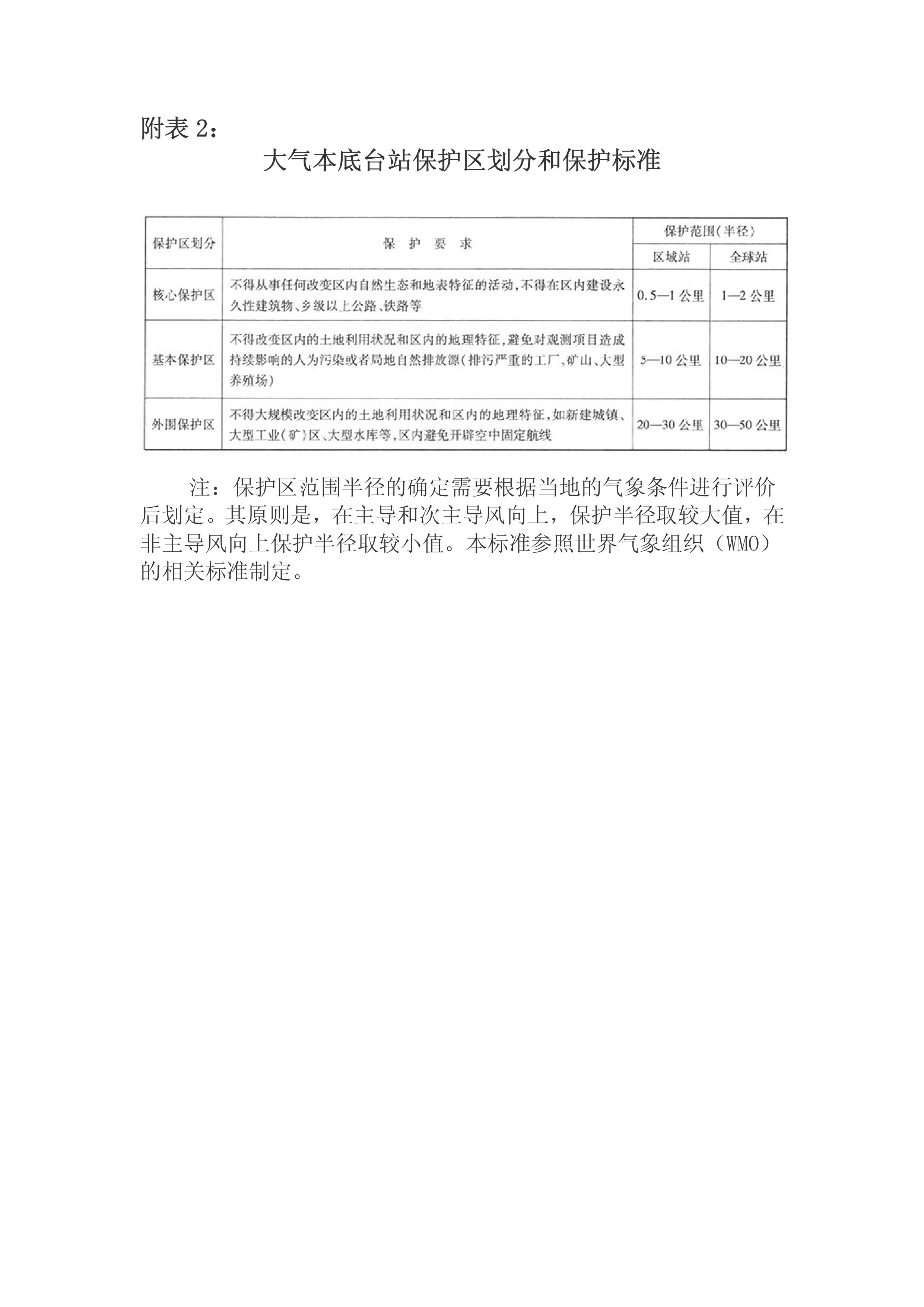
第十三条大气本底台站的保护区划分为核心保护区、基本保护区、外围保护区,具体的保护范围和标准按照附表2 执行。
第十四条沙尘暴监测站、污染气象监测站等环境气象监测站探测环境和设施保护标准由国务院气象主管机构另行制定。
第十五条严禁在遥感卫星辐射校正场场区内从事任何建设和改变场区内自然状态的行为。
本办法所称遥感卫星辐射校正场,是指利用辐射特性稳定、均匀的地物目标作为辐射参考基准,通过星地同步观测,对在轨运行遥感仪器进行绝对辐射定标或星上辐射定标校正的场地。
第十六条闪电探测站的高频探测天线60°下视角空间之内不得有任何障碍物。以闪电探测站的高频探测天线为中心,半径 100 米范围以内,不得有导电物体或者高于天线系统的障碍物。半径 100 米范围以外(含 100 米),障碍物与天线的仰角不得大于 3°,电磁场干扰应当小于闪电接收机的阈值范围。
第十七条GPS气象探测站视场周围障碍物的仰角不得大于10°,且远离大功率的无线电发射台和高压输电线。各种无线电发射台与 GPS 气象探测站接收机天线的距离不得小于2 公里,高压输电线与接收机天线的距离不得小于 200 米。 GPS 气象探测站附近不得有大面积的水域或者其他对电磁波反射(吸收)强烈的物体。
第十八条各类无线电台(站)不得对气象专用频道、频率产生干扰。气象通信线路和设施不得被挤占、挪用、损坏,以保证气象信息及时、准确地传输。气象无线电频率的保护,按照国家无线电管理法规执行。
第十九条各级气象主管机构应当将气象探测环境和设施保护的标准报送当地人民政府及其有关部门备案。
第二十条城乡规划、建设、国土等有关部门,在审批可能影响已建气象台站探测环境和设施的建设项目时,应当事先征得有审批权限的气象主管机构的同意。未经气象主管机构同意,有关部门不得审批。新建、改建和扩建气象台站和设施,应当符合气象探测环境和设施的保护标准。
第二十一条未经依法批准,任何组织或者个人不得迁移气象台站和设施。确因实施城市规划或者国家重点工程建设,需要迁移国家基准气候站、国家基本气象站、高空气象探测站、天气雷达站、大气本底台站等国家布点的气象台站的,应当报经国务院气象主管机构批准;需要迁移其他气象台站的,应当报经省、自治区、直辖市气象主管机构批准。拆迁和新建气象台站和设施的全部费用由同级政府或者建设单位承担,并保证新建气象台站和设施的质量符合国家标准。迁移的气象台站应当按照国务院气象主管机构的规定进行对比观测。
第二十二条无人值守的自动气象站,应当由该站的所有单位委托所在地人民政府或者社会团体、企事业单位和个人负责保护。当事人应当签订《委托保管书》,明确各自的权利和义务。
第二十三条禁止下列危害气象探测环境和设施的行为:
(一)侵占、损毁和擅自移动气象台站建筑、设备和传输设施;
(二)在气象探测环境保护范围内设置障碍物;
(三)在气象探测环境保护范围内进行爆破、采砂(石)、取土、焚烧、放牧等行为;
(四)在气象探测环境保护范围内种植影响气象探测环境和设施的作物、树木;
(五)设置影响气象探测设施工作效能的高频电磁辐射装置;
(六)进入气象台站实施影响气象探测工作的活动;(七)其他危害气象探测环境和设施的行为。
第二十四条违反本办法规定,有下列行为之一的,由有关气象主管机构按照权限责令停止违法行为,限期恢复原状或者采取其他补救措施,可以并处5 万元以下罚款;造成损失的,依法承担赔偿责任;构成犯罪的,依法追究刑事责任。
(一)侵占、损毁和擅自移动气象台站建筑、设备和传输设施的;
(二)在气象探测环境保护范围内设置障碍物的;
(三)设置影响气象探测设施工作效能的高频电磁辐射装置的;
(四)其他危害气象探测环境和设施的行为。
第二十五条违反本办法规定,有下列行为之一的,由有关气象主管机构按照权限责令停止违法行为,限期恢复原状或者采取其他补救措施,可以并处3 万元以下罚款;造成损失的,依法承担赔偿责任;构成犯罪的,依法追究刑事责任。
(一)在气象探测环境保护范围内进行爆破、采砂(石)、取土、焚烧、放牧等行为的;
(二)在气象探测环境保护范围内种植影响气象探测环境和设施的作物、树木的;
(三)进入气象台站实施影响气象探测工作的活动的。
第二十六条国务院其他有关部门和省、自治区、直辖市人民政府其他有关部门所属的气象台站的探测环境和设施的保护标准,参照本办法执行。
第二十七条本办法所称大于、小于、高于,包括本数。
第二十八条本办法自2004年10月1日起施行。

